产品中心

一、用途
桨式搅拌机主要用于水厂、污水处理厂制备混凝剂、助凝剂石灰乳或防止贮液池内溶液偏析沉降的搅拌。
二、结构及工作原理
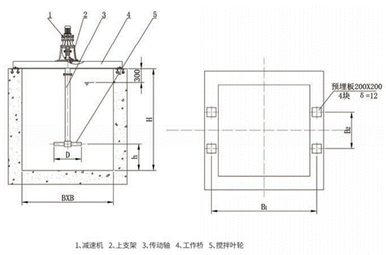
该设备桨叶采用平直型或折浆型,它由立式电机经减速机驱动桨板搅拌,使水体与投加的混凝剂等药剂按一定比例稀释后经搅拌机搅拌,达到所需的配置浓度及防止沉淀。
三、主要特点
1、高速搅拌,搅拌强度大,混合稀释的速度快、混合均匀;
2、对浓度变化的适应强,性能稳定;
3、整机安装,装拆方便;
4、能耗低及耐蚀性强;
四、主要技术参数和安装尺寸表

五、外形及安装基础图